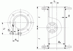
Выпуск фланцевый чугунный для трубы ВЧШГ. Условный проход ствола 300 мм, отростка 100мм. Выпуск ВФ 300x100
- Каталог
- Задвижки и электроприводы для ВК
- Затворы для ВК
- Трубы для теплоснабжения
- Трубы молекул ПВХ-О класс 500 для напорных сетей ВК
- Трубы и фитинги ПНД (ПЭ) для Водопровода
- Трубы и фитинги чугунные ВЧШГ для ВК
- Трубы гофрированные для канализации
- Полиэтиленовые колодцы
- Звеньевые уплотнители кольцевых пространств ЗУКП для трубных и кабельных вводов
- Керамический утеплитель для фасадов и трубопроводов TSMCERAMIC






